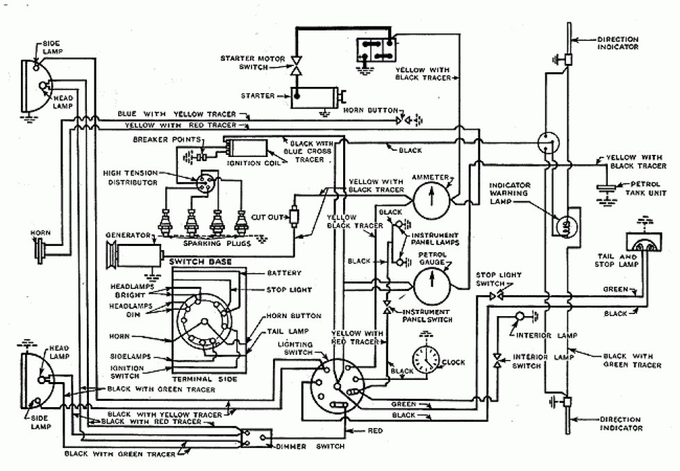
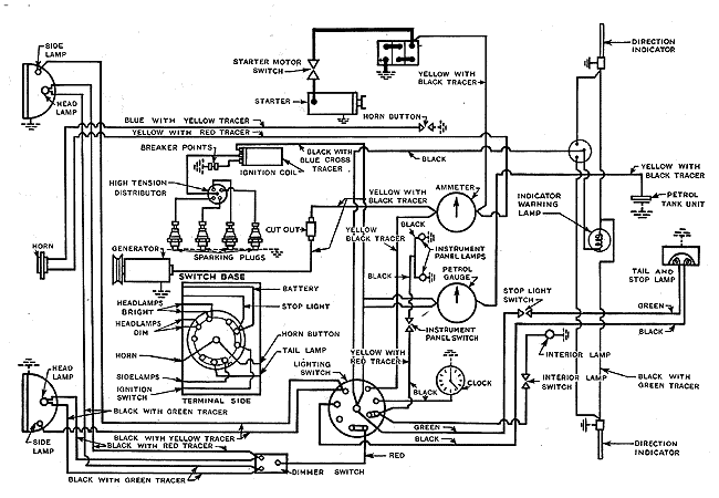
wiring diagram E83W prior 1945

For identification purposes only, reproduced from Ford Motor Company parts list book.

Parts Shown